1688以外のサイト、現地商品市場から弊社が独自にリサーチした商品のご提案を行います。 また、お取り組み先にご覧頂きやすいように「G/M」が付いた品番はこちらから検索ください。
1688.comは中国で生産され、流通している商品を扱うBtoB卸サイトとなります。お客様が弊社サイト内にて仕入処理をされても、日本国内の法律に則り、日本への輸入ができない商材もあり、その場合弊社でも仕入れの手配が出来ません。その際はシステム上で、自動的に注文削除となってしまう事を、恐れ入りますがご了承願います。
※単価についての注意事項: 船便の単価が適用されるには、今回の仕入において(他の商品も含めた)、消費税抜きの仕入総合計金額が20万円以上の場合となります。 総合計が20万円未満の場合はシステムで自動的にOCSの単価が適用されます。
{{ variable.name }}
產品型號 Type: MSK-12C02SW-NB-JC
額 定 值 Rating: DC 12V 100mA
|
條號 |
項目 |
測試條件 |
規格 |
|
1.1.1 |
動作力 |
在距离胶柄3mm作测定点,拨动三次后测试 |
130gf±50gf |
|
1.1.2 |
端子强度 |
在排脚前端任意一个方型加(500gf)力度测试,时间为15秒 |
在端子中没有裂开,松动等异常,满足机械、电器性能。 |
說明:
動作力 Actuating Force:
The force required to move the actuator from the free to the operation position
3.2 一般特性
3.2.1 適用範圍 此規格書適用於在電子設備中使用的MSK系列拨码开关
3.2.2 工作溫度範圍 -10℃ + 50℃
3.2.3 測試條件 除非另有規定,測量是和試驗的環境條件如下:
環境溫度: 5~35℃
相對濕度: 45~85%
大氣壓:86~106kPa (860~1060 mbar)
3.3外觀、結構和尺寸
3.3.1 外觀 開關外觀完好,無銹蝕、裂紋和鍍層缺陷。
3.3.2結構和尺寸 參見相應的產品圖樣
|
條號 |
項目 |
測試條件 |
標準 |
|
3.4.1 |
接觸電阻 |
在1KHz微小電流(100mA 以下)測試. |
70mΩ MAX |
|
3.4.2 |
絕緣電阻 |
輸入100V DC電壓1分鐘,按以下接觸方法測試: (1) 接觸端子之間. (2)膠座體和排腳之間. |
100MΩ MIN |
|
3.4.3 |
耐壓 |
輸入AC250V(50-60Hz) 電壓,1分鐘感度電流爲0.5mA,接觸測試方法如下: (1) 接觸端子之間. (2)外殼體和排腳之間. |
沒有绝缘破坏等异常 |
3.5. 耐環境性
|
條號 |
項目 |
測試條件 |
標準 |
|
3.5.1 |
低溫 |
在經受-25±3℃,48小時試驗之後,開關在常溫常濕條件下恢復1小時,然後在1小時內完成測量。要除去凝露。 |
外觀無異常,滿足於機械, 電氣性能。 |
|
3.5.2 |
高溫 |
在經受 70±2℃,48小時試驗之後,開關在常溫常濕條件下恢復1小時,然後在1小時內完成測量。 |
|
|
3.5.3 |
恒定濕熱 |
在經受溫度為 40±2℃ 相對濕度為 90-95%RH,96小時試驗之後, 開關在常溫常濕條件下恢復1小時,然後在1小時內完成測量。要除去凝露。 |
|
|
3.5.4 |
溫度變化 |
在經受5次迴圈溫度變化試驗之後, 開關在常溫常濕條件下恢復1小時,然後在1小時內完成測量。要除去凝露。 |
|
3.6.1 |
可焊性 |
開關在按下列條件試驗後進行檢查 1)焊錫溫度:235±5℃; 2)浸漬時間:3±0.5s; |
沾錫面積應為浸漬面積的75%以上。 |
|
3.6.2 |
耐焊接熱 |
開關在按下列條件試驗後進行檢查。 手焊接的时候温度控制在350±10℃,时间为3±0.5秒,但不能在排脚上施加异常压力。 |
外觀無異常,滿足於機械, 電氣性能。 |
3.7. 耐久性
|
條號 |
項目 |
測試條件 |
標準 |
|
3.7. 1 |
壽命測試 |
操作責以每分鐘30次的頻率,施加不大於開關1備的推力做10,000次無負荷測試、 |
1) 接 觸 電 阻 不 超 於 200mΩ. 2)其它满足于机械、电器性能. |
|
3.7.2 |
潮溼實驗 |
放置在 40±2℃相對溼度爲 80~85%環境中96 小時後,再將樣品放在正常室溫中 1 小時后測定. |
外觀無異常,滿足於機械,電氣性能 |
|
3.7.3 |
焊錫條件 |
( 1)手焊: 工具:烙铁 A.350℃ Max.3sec.Max. B.270℃ Max.5 sec.Max. (2)回流焊 260℃ Max. 3sec.Max. |
外觀無異常,滿足於機械,電氣性能。 |
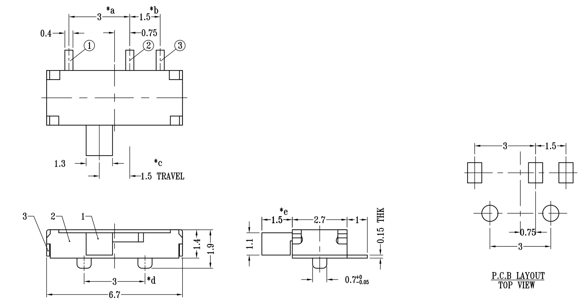
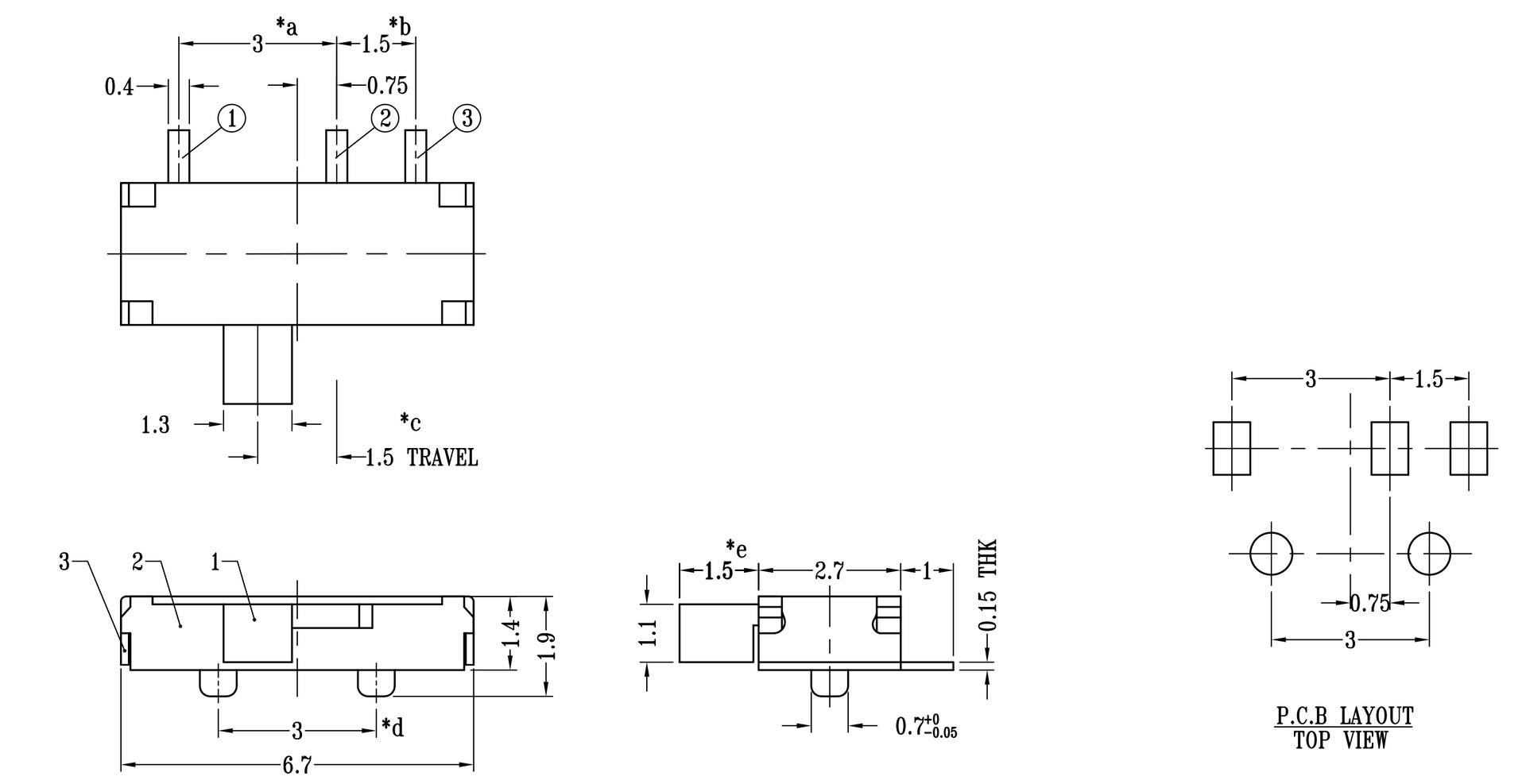
2.外形圖及尺寸 DRAWING & DIMENSION:

