メニュー
1688

1688.comは中国で生産され、流通している商品を扱うBtoB卸サイトとなります。お客様が弊社サイト内にて仕入処理をされても、日本国内の法律に則り、日本への輸入ができない商材もあり、その場合弊社でも仕入れの手配が出来ません。その際はシステム上で、自動的に注文削除となってしまう事を、恐れ入りますがご了承願います。

無料サンプリングソース工場ストレートヘア両面ワイヤー保護スリーブシリコーン防水コイル保護コイルさまざまな仕様

船便:{{ product.price_format }} 船便納期:発注から納品まで約30日前後
OCS:{{ product.price_format2 }} OCS纳期:発注から納品まで約14日前後

※単価についての注意事項: 船便の単価が適用されるには、今回の仕入において(他の商品も含めた)、消費税抜きの仕入総合計金額が20万円以上の場合となります。 総合計が20万円未満の場合はシステムで自動的にOCSの単価が適用されます。

{{ product.origin_price_format }}
在庫あり:
SKU:{{ product.sku }}
モデル: {{ product.model }}

{{ variable.name }}

{{ value.name }}
属性
ORIGIN 江門
貨物番号 型番
製品グレード AAA
ブランド QIANBEI
製品仕様 サンプル
2.3mmから10mmまで防塵防水ストレートゴムねじ穴シリコンゴム金属板穴灯具衝突防止ゴム栓
¥1
両面工字型保護コイルt形カードスロット保護線プラグ膜付きU形D形防塵防水保護線カバー
¥1
防塵防護衝突防止シリコンキャップ鉄線円管ポート保護シリコンキャップメッキ高温ゴムカバー
¥1
千北シリカゲル新製品発表ゴム穴栓防水五金部品メッキt形シリカゲル栓現物供給
¥2
ケーブルシール千北10mmワイヤカバーゴムプラグは、モータラインとして使用され、摩耗防止環状穴プラグラインをシールすることができます
¥9
メーカーの直髪には膜付き防塵シリコンゴムの保護カバーがあります。
¥2
両面工字型オープンワイヤーカバー上大下小密封栓膜付きU字型D形マルチ防塵防水保護カバー
¥1
O型K型ガスケット 防水シール 防振緩衝 断熱防塵ガスケット 保護ガスケット
¥1
防塵防水防振シリカゲルプラグ詰まり密封栓中空瓶口ガラス瓶内栓スキンケア瓶シリカゲルカバー
¥3
メーカー直送 丸頭シリコンプラグ カーテンウォールバックル ガラス液体分注ボトル 化粧品ボトルシーリングプラグ T型ゴムプラグ
¥1
硅胶双面护线圈耐高温保护套黑色密封圈加宽槽加高电线出线过线环
¥2
両面シリカゲル保護コイル電気ボックス電線保護コードカバー難燃耐高温過糸カバー現物スナップ防水リング
¥3
エセントラ エプデム 高温耐性 防水 ワイヤーサーマルスリーブ SR1713 ラバー製両面ワイヤーサーマルスリーブ
¥9
東莞メーカー両面保護コイル工字型4mmシリコン保護リング出コイル電源コード保護カバー防水
¥2
スポット難燃保護コイル防水シリコーンゴムワッシャー耐高温ノズルプラグ保護カバー製品加工
¥4
メーカー直販シリカゲル製品8mmゴム滑り止め栓防水ゴム栓五金板穴栓足釘防塵栓
¥3
环保硅胶双面护线圈倒扣式橡胶保护套卡槽过线皮圈电气穿线孔护套
¥58
シリカゲル二重穴縄跳びバックルオーバー糸スリーブ糸通し穴シリコンゴム楕円二重穴調節バックル
¥46
フラットヘッドシリコンスリーブ、食品グレードシリコンスリーブ、鋼管保護ゴムスリーブ、高温耐性衝撃吸収シリコン穴プラグキャップ
¥3
耐高温シリカゲル両面保護コイルの幅を広げて高い溝を広げます。
¥2

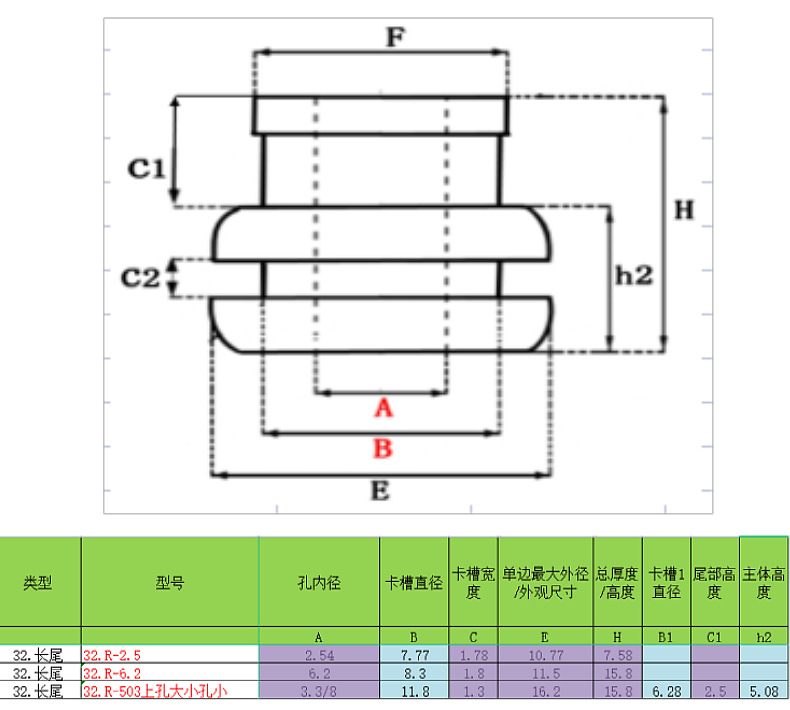
注:手工测量,少有误差,生产收缩率有偏差,具体尺寸以实物为准!!!