メニュー
1688

1688.comは中国で生産され、流通している商品を扱うBtoB卸サイトとなります。お客様が弊社サイト内にて仕入処理をされても、日本国内の法律に則り、日本への輸入ができない商材もあり、その場合弊社でも仕入れの手配が出来ません。その際はシステム上で、自動的に注文削除となってしまう事を、恐れ入りますがご了承願います。

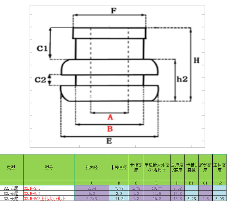
両面工字型オープンワイヤーカバー上大下小密封栓膜付きU字型D形マルチ防塵防水保護カバー

船便:{{ product.price_format }} 船便納期:発注から納品まで約30日前後
OCS:{{ product.price_format2 }} OCS纳期:発注から納品まで約14日前後

※単価についての注意事項: 船便の単価が適用されるには、今回の仕入において(他の商品も含めた)、消費税抜きの仕入総合計金額が20万円以上の場合となります。 総合計が20万円未満の場合はシステムで自動的にOCSの単価が適用されます。

{{ product.origin_price_format }}
在庫あり:
SKU:{{ product.sku }}
モデル: {{ product.model }}

{{ variable.name }}

{{ value.name }}
属性
産地 江門
貨物番号 ケーブルカバーの保護コイル
製品レベル 優良
ブランド 千北
製品仕様 その他の規格については、カスタマーサービスに連絡してください。
2.3mmから10mmまで防塵防水ストレートゴムねじ穴シリコンゴム金属板穴灯具衝突防止ゴム栓
¥1
両面工字型保護コイルt形カードスロット保護線プラグ膜付きU形D形防塵防水保護線カバー
¥1
防塵防護衝突防止シリコンキャップ鉄線円管ポート保護シリコンキャップメッキ高温ゴムカバー
¥1
千北シリカゲル新製品発表ゴム穴栓防水五金部品メッキt形シリカゲル栓現物供給
¥2
ケーブルシール千北10mmワイヤカバーゴムプラグは、モータラインとして使用され、摩耗防止環状穴プラグラインをシールすることができます
¥9
浙江卓球訓練器ゴムプラグボールプラグ透明シリコンシール防塵防水プラグシリコンプラグ
¥2
メーカーの直髪には膜付き防塵シリコンゴムの保護カバーがあります。
¥2
両面工字型オープンワイヤーカバー上大下小密封栓膜付きU字型D形マルチ防塵防水保護カバー
¥1
O型K型ガスケット 防水シール 防振緩衝 断熱防塵ガスケット 保護ガスケット
¥1
防塵防水防振シリカゲルプラグ詰まり密封栓中空瓶口ガラス瓶内栓スキンケア瓶シリカゲルカバー
¥3
メーカー直送 防水防塵保護電源ボックス シリコンケーブル保護カバー コイルI字型ワイヤー通過リング
¥3
無料サンプリングソース工場ストレートヘア両面ワイヤー保護スリーブシリコーン防水コイル保護コイルさまざまな仕様
¥23
现货供应商 平头硅胶套 耐高温 密封保护帽 防尘防水保护 钢管
¥3
環境保護コイル工字型耐高温シリコンゴム過コイルダンパーゴムカバー防水シールm 6
¥3
メーカー直販純正品プラスチック逆止弁逆止弁耐オゾン止水弁耐油止弁
¥6
ジュエリーアクセサリー位置決めゴムリングハンドロープ滑り止めパッド転送ビーズ diy 固定レザーロープリング滑り止めゴムリングスペーサー
¥322

注:手工测量,少有误差,生产收缩率有偏差,具体尺寸以实物为准!!!