中国的每个高铁站都有我们的PCI接口CAN卡
本系列CAN接口卡均经过严酷的实践验证,稳定可靠,目前广泛应用于高铁、地铁、汽车电子、楼宇安防、电梯控制、衡器、医疗设备等场合,中国的每个高铁站都有我们的PCI接口CAN卡!

1688以外のサイト、現地商品市場から弊社が独自にリサーチした商品のご提案を行います。 また、お取り組み先にご覧頂きやすいように「G/M」が付いた品番はこちらから検索ください。
1688.comは中国で生産され、流通している商品を扱うBtoB卸サイトとなります。お客様が弊社サイト内にて仕入処理をされても、日本国内の法律に則り、日本への輸入ができない商材もあり、その場合弊社でも仕入れの手配が出来ません。その際はシステム上で、自動的に注文削除となってしまう事を、恐れ入りますがご了承願います。
※単価についての注意事項: 船便の単価が適用されるには、今回の仕入において(他の商品も含めた)、消費税抜きの仕入総合計金額が20万円以上の場合となります。 総合計が20万円未満の場合はシステムで自動的にOCSの単価が適用されます。
{{ variable.name }}
致远电子PCI-98XX系列通用CAN卡与PCI-50X0系列智能CAN卡,都是兼容PCI 2.2规范的,带有1~4路CAN接口的高性能CAN接口卡。采用PCI接口CAN卡,PC机可以通过PCI接口连接至CAN网络。均为工业级设计,CAN接口自带隔离模块,使其避免由于地环流的损坏,强大的抗静电和浪涌能力,使之可以在恶劣环境中使用。
PCI-98XX系列是通用型CAN接口卡,用于绝大多数PC控制CAN总线的场合,通讯速度极高,实时性很强。
本系列产品均配有可在Win2000/XP/WIN7/WIN8/WIN10、各种Linux、Vxworks5.5等操作系统下工作的驱动程序,并包含详细的应用例程。并且提供个性化定制服务。
选型表
| 型号 | PCI-9810I | PCI-9820I | PCI-9840I |
|---|---|---|---|
| 实物图 | ![]() |
![]() |
![]() |
| 开发文档 | |||
| 特色功能 | 高速低延时 | 高速低延时 | 高速低延时 |
| CAN路数 | 1路 | 2路 | 4路 |
| 接口形式 | DB9接口 | DB9接口 | DB9接口 |
| 电气隔离 | √ | √ | √ |
| 工业级 | √ | √ | √ |
| 数据接收能力 (每路) |
14000帧/秒 | 14000帧/秒 | 14000帧/秒 |
| 数据发送能力 (每路) |
4000帧/秒 | 4000帧/秒 | 4000帧/秒 |
| Windows系统驱动 | 支持 | 支持 | 支持 |
| Linux系统驱动 | 支持 | 支持 | 支持 |
| VxWorks驱动 | 支持 | 支持 | 支持 |
| 在线购买 | |||
中国的每个高铁站都有我们的PCI接口CAN卡
本系列CAN接口卡均经过严酷的实践验证,稳定可靠,目前广泛应用于高铁、地铁、汽车电子、楼宇安防、电梯控制、衡器、医疗设备等场合,中国的每个高铁站都有我们的PCI接口CAN卡!

2通道2500VDC电气隔离
2通道2500VDC电气隔离CAN接口,静电等级接触放电±8KV

ZLG CAN总线测试分析软件ZCANPRO
ZLG ZCANPRO软件为CANFD/CAN/LIN总线系统架构、网络设计、开发和测试工程师提供整个开发过程的全面支持。高效、丰富、易用、免费等特性为工程师创造了更多可能,大大降低成本,提升开发效率。(仅CANFD系列支持ECU刷写和OBD诊断)


13万帧缓冲不丢帧
高性能型在任意波特率下满负载接收数据帧能力,13万帧缓冲,不丢帧才是硬道理。

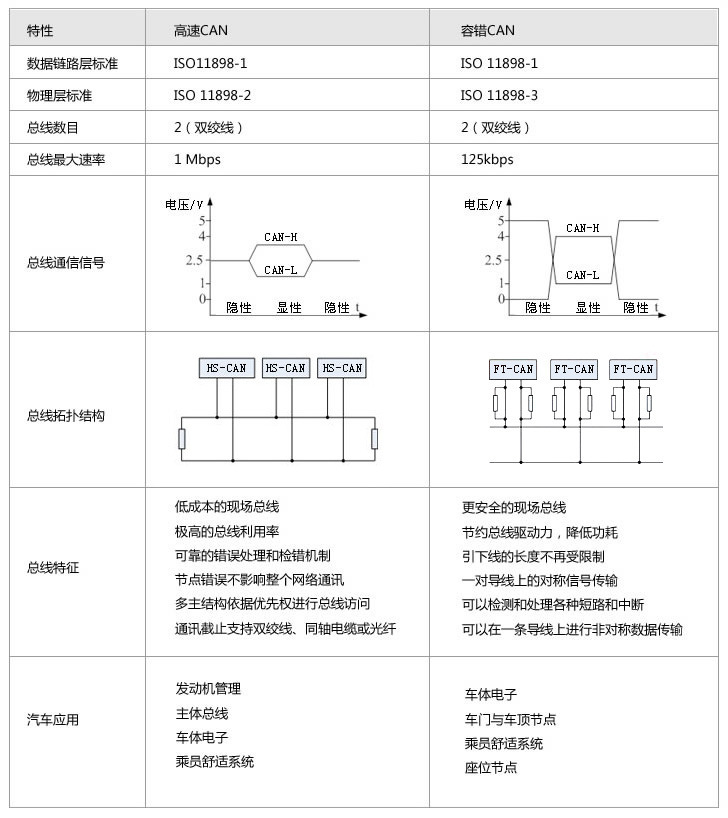
符合CAN 2.0B规范
CAN协议完全符合CAN 2.0B规范,兼容CAN 2.0A,符合ISO 11898-1/2 。用户可以通过选配CANBridge-1054,支持ISO11898-3的容错CAN标准。

CAN波特率可编程任意设置1Mbps之间
CAN波特率可编程任意设置,范围在5Kbps~1Mbps之间

支持各类开发环境
高效易用的二次开发函数,可支持各类开发环境,如VC、C#、Labview、LINUX等

强大的测试分析软件CANtest
1.选择设备波特率、通道号、工作模式启动CAN卡

2.启动后自动接收,基本操作满足单帧发送,可设置连续保存满足长时间测试要求

3.高级操作可预定义100帧,并且可设置发送次数与间隔

二次开发函数库
致远电子所有的CAN接口卡均使用同一套上位机二次开发函数库(支持VC、VB、C#、LINUX、Labview、LabWindows、Delphi7等主流开发环境),用户只需修改设备类型即可实现不同接口的无缝切换:

丰富的汽车电子专用高层协议二次开发库
用户可直接加载UDS/OBDII/15765等汽车电子专用协议二次开发库,协助完成零部件测试检修。


