メニュー
1688

1688.comは中国で生産され、流通している商品を扱うBtoB卸サイトとなります。お客様が弊社サイト内にて仕入処理をされても、日本国内の法律に則り、日本への輸入ができない商材もあり、その場合弊社でも仕入れの手配が出来ません。その際はシステム上で、自動的に注文削除となってしまう事を、恐れ入りますがご了承願います。

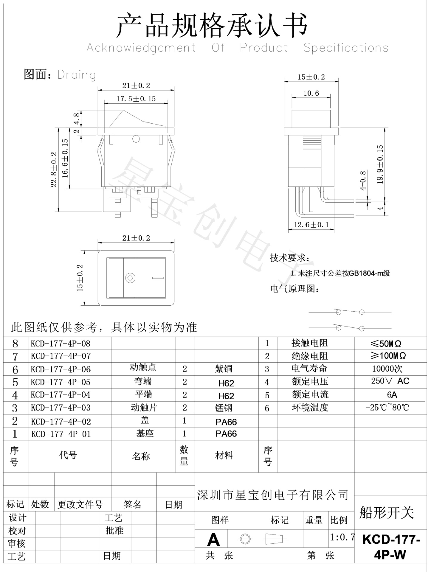
メーカー直販船形スイッチ4p2w曲足二重板電源スイッチ四足曲足90度ボード

船便:{{ product.price_format }} 船便納期:発注から納品まで約30日前後
OCS:{{ product.price_format2 }} OCS纳期:発注から納品まで約14日前後

※単価についての注意事項: 船便の単価が適用されるには、今回の仕入において(他の商品も含めた)、消費税抜きの仕入総合計金額が20万円以上の場合となります。 総合計が20万円未満の場合はシステムで自動的にOCSの単価が適用されます。

{{ product.origin_price_format }}
在庫あり:
SKU:{{ product.sku }}
モデル: {{ product.model }}

{{ variable.name }}

{{ value.name }}
属性
産地 浙江省
ブランド 星宝永弘
電気寿命 5000
製品認証 その他
貨物番号 4p2w曲げ足
3c定格電圧範囲 440v以上
クロスボーダー輸出専用供給源ですか いいえ
仕様 船形スイッチ四脚曲げ針
スイッチタイプ 船型スイッチ
材料番号 4p2w曲げ足
DC ソケット 2P DC-096 ミニ充電耳なしプラグ 2 ピン Bluetooth 電源 2.0*0.6 dc メスベース
¥1
メーカー懐中電灯スイッチkan-28銅脚実験押し18*12セルフロック一スイッチ
¥4
おもちゃスライドスイッチ三脚二段ss12d00 3脚ロングピン3p2ビット二段トグルスイッチ
¥1
Led懐中電灯押しボタンスイッチ12*8 YT-1208-YD強光スイッチ二本足が曲がってボタンを切る
¥6
メーカー直販トグルスイッチss12f15g 5三脚二段ネジ固定穴付き1p 2tスライドスイッチ
¥1
3.5*1.3三脚寝台直流電源母座5.5*2.1/2.5 dc電源コンセントDC-005を供給する
¥2
Type-c6p立貼母座5.0 6.8 10.0 10.5usb母座コネクタ縦型type-c母座
¥2
Kcd11サイズ10x15三脚二段二段浮き板赤頭小スイッチ2段船型スイッチ
¥7
メーカー直販懐中電灯スイッチ12*12/8一スイッチ一スイッチカンシリーズマイクロセルフロック押しボタンスイッチ黒
¥4
メーカー直販2.5ヘッドフォンソケット直挿式三脚横型銅ヘッドモノラルpj210ヘッドオーディオソケット
¥3