メニュー
1688

1688.comは中国で生産され、流通している商品を扱うBtoB卸サイトとなります。お客様が弊社サイト内にて仕入処理をされても、日本国内の法律に則り、日本への輸入ができない商材もあり、その場合弊社でも仕入れの手配が出来ません。その際はシステム上で、自動的に注文削除となってしまう事を、恐れ入りますがご了承願います。

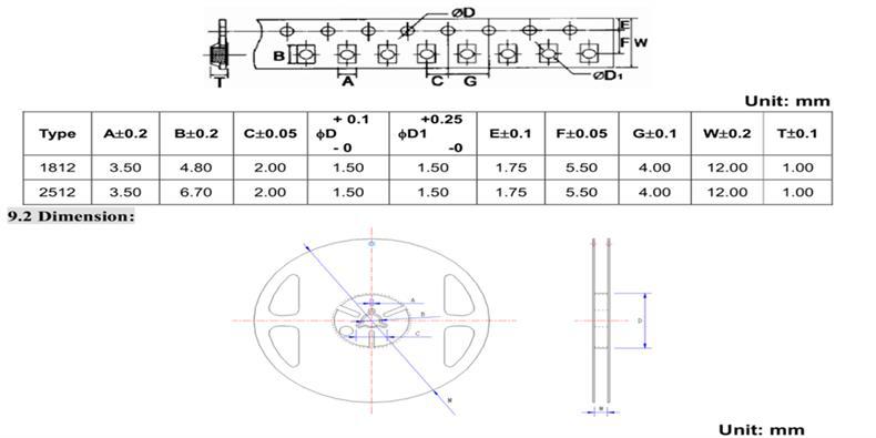
抵抗 0201 0402 0603 0805 1206 1210 2512 7.15M 精度 1%

船便:{{ product.price_format }} 船便納期:発注から納品まで約30日前後
OCS:{{ product.price_format2 }} OCS纳期:発注から納品まで約14日前後

※単価についての注意事項: 船便の単価が適用されるには、今回の仕入において(他の商品も含めた)、消費税抜きの仕入総合計金額が20万円以上の場合となります。 総合計が20万円未満の場合はシステムで自動的にOCSの単価が適用されます。

{{ product.origin_price_format }}
在庫あり:
SKU:{{ product.sku }}
モデル: {{ product.model }}

{{ variable.name }}

{{ value.name }}
属性
処理のカスタマイズ はい
ブランド 厚生やその他の国内ブランド
モデル 1
種類 ヒューズ
パフォーマンス GM
材料 カーボンフィルム
公称抵抗値 7.15M 精度 1% はブランド_0201 を必要としません (1 プレートあたり 15,000 個),7.15M 精度 1% ブランド不要_0402 (1 プレートあたり 10,000 個),7.15M 精度 1% ブランド不要_0603 (1 プレートあたり 5000 個),7.15M 精度 1% はブランドを必要としません_0805 (1 プレートあたり 5000 個),7.15M 精度 1% はブランド_1206 を必要としません (トレイあたり 5000)
ハンドル付きボタンスイッチ警報器スイッチ二国間自己リセットスイッチRLS-102 202 123 223
¥55
Reomax瑞マイメーカー6125 2410 sef1100 1a 250v速融抗サージチップヒューズ
¥3
Ec11ロータリーエンコーダ15/20mm梅花軸d半軸スイッチ付きデジタルポテンショメータ20ビットパルス
¥2
35V470UF高周波低抵抗長寿命電解コンデンサ体積8X12 8X16 10X13 10X17MM
¥2
輸入黒金剛6.3/10/16/25/35/50v 100/220UF/470UF/1000UF電解コンデンサ
¥6
KF2EDGV3.5mm3.81 プラグイン PCB 端子 EDGR グリーン 15EDGK 配線プラグ 4Pin プラグイン P
¥2
450V120UF高周波低抵抗長寿命耐高温電解コンデンサ120UF 450V 18x30
¥26
100V1000UF高周波低抵抗インライン電解コンデンサ1000UF 100V 18x35 18x30mm
¥22
リード脚200V680UF容积18X50ソフト脚電解コンデンサー680uf100v
¥44
フランジ付き PCB 溶接端子 KF2EDGVM ストレートピン 15EDGRM カーブピン P 溶接プレートシート 3.5mm3.81
¥4