1688以外のサイト、現地商品市場から弊社が独自にリサーチした商品のご提案を行います。 また、お取り組み先にご覧頂きやすいように「G/M」が付いた品番はこちらから検索ください。
1688.comは中国で生産され、流通している商品を扱うBtoB卸サイトとなります。お客様が弊社サイト内にて仕入処理をされても、日本国内の法律に則り、日本への輸入ができない商材もあり、その場合弊社でも仕入れの手配が出来ません。その際はシステム上で、自動的に注文削除となってしまう事を、恐れ入りますがご了承願います。
※単価についての注意事項: 船便の単価が適用されるには、今回の仕入において(他の商品も含めた)、消費税抜きの仕入総合計金額が20万円以上の場合となります。 総合計が20万円未満の場合はシステムで自動的にOCSの単価が適用されます。
{{ variable.name }}
随着科技的快速发展,道路交通管理日渐复杂。我们开发、生产出智能交通信号控制机,可以充分展现您的管理才能,让您更加轻松、便捷的管理道路交通。
|
一、1.五路单点式产品图片、接线示意图 |
|
|
|
一、2、产品优点 |
一、3、功能特点 |
|
« 完善的服务 售前早期培训与售后技术指导,让您买得放心,用得安心。 « 傻瓜操作面板 时间调整,简单易用,接线方式操作简单。 « 安装简便 |
« 工作稳定可靠。 « 整部机器采用模块化设计, 便于维修和功能扩充。 « 每路有独立的防雷。 « 支持倒计时触发(后9秒)和通讯(GA/T 508-2014)模式。
|
|
一、4、技术参数 |
|
|
项目 |
技术参数 |
|
执行标准 |
GA47-2002 |
|
每路驱动能力 |
500W |
|
工作电压 |
AC110/220V(DC12/24V) |
|
工作频率 |
50Hz |
|
使用温度范围 |
-40℃~+75℃ |
|
相对湿度 |
<95% |
|
绝缘值 |
≥100MΩ |
|
断电数据保存 |
180天 |
|
设置方案保存 |
10年 |
|
时钟误差 |
±1S |
|
信号机箱体尺寸 |
长225mm宽160mm高80mm |
|
一、5、机箱孔位尺寸图 单位:mm |
一、6、信号控制机机箱地基位置选择 |
|
|
« 适宜选择地势较高处,以免暴雨的积水淹没. « 适宜选择阴凉处,以免夏日阳光的影响. « 机箱外表必须距离机动车道有1.5米远,以免过往车辆的碰撞. « 周围要保留够的空间,以确保箱门的开启和方便接线. « 路口线路全部调试完成后,请务必用聚氨酯泡沫填缝剂(泡沫胶),将机箱底部包括线缆密封,以免地下的潮气和小动物进入机箱。 « 信号机机箱请务必可靠接大地!
|
|
二、1、五路蓝牙版产品图片、接线示意图 |
|
|
|
二、2、产品优点 |
二、3、功能特点 |
|
« 完善的服务 售前早期培训与售后技术指导,让您买得放心,用得安心。 « 采用蓝牙与上位机通讯 « 每一路输出有独立防雷电路 « 可设置12个运行方案(平日、周末及节假日),每种运行方案可设置12个时间段 « 本机支持黄闪、全红、灭灯、一次过街运行模式,可在任意时间段调用
|
« 工作稳定可靠。 « 整部机器采用模块化设计, 便于维修和功能扩充。 « 每路有独立的防雷。 «支持倒计时触发和通讯模式,触发模式闪断时间及倒计时时间可通过上位机配置,通讯模式波特率支持4800 bps、9600bps,通讯协议为:GA/T 508-2014。 « 可扩展LAN接口通讯。 « 可在线调整、检查和设置。 |
|
二,4、技术参数 |
|
|
项目 |
技术参数 |
|
执行标准 |
GA47-2002 |
|
每路驱动能力 |
500W |
|
工作电压 |
AC110/220V(DC12/24V) |
|
工作频率 |
50Hz |
|
使用温度范围 |
-40℃~+75℃ |
|
相对湿度 |
<95% |
|
绝缘值 |
≥100MΩ |
|
断电数据保存 |
180天 |
|
设置方案保存 |
10年 |
|
时钟误差 |
±1S |
|
信号机箱体尺寸 |
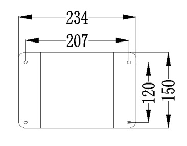
长234mm宽150mm高60mm |
|
二、5、机箱孔位尺寸图 单位:mm |
二、6、信号控制机机箱地基位置选择 |
|
|
« 适宜选择地势较高处,以免暴雨的积水淹没. « 适宜选择阴凉处,以免夏日阳光的影响. « 机箱外表必须距离机动车道有1.5米远,以免过往车辆的碰撞. « 周围要保留足够的空间,以确保箱门的开启和方便接线. « 路口线路全部调试完成后,请务必用聚氨酯泡沫填缝剂(泡沫胶),将机箱底部包括线缆密封,以免地下的潮气和小动物进入机箱。 « 信号机机箱请务必可靠接大地! |
|
三、信号控制机操作说明 |
|
|
为了使广大的用户更快捷的运用我司5路交通信号控制机,我们以简单易懂的图文形式通过例子进行操作说明,用户只要按照说明书中的例子进行操作,就能够快速掌握信号机的操作方法。 1、路口平面图
|



按钮











