1688以外のサイト、現地商品市場から弊社が独自にリサーチした商品のご提案を行います。 また、お取り組み先にご覧頂きやすいように「G/M」が付いた品番はこちらから検索ください。
1688.comは中国で生産され、流通している商品を扱うBtoB卸サイトとなります。お客様が弊社サイト内にて仕入処理をされても、日本国内の法律に則り、日本への輸入ができない商材もあり、その場合弊社でも仕入れの手配が出来ません。その際はシステム上で、自動的に注文削除となってしまう事を、恐れ入りますがご了承願います。
※単価についての注意事項: 船便の単価が適用されるには、今回の仕入において(他の商品も含めた)、消費税抜きの仕入総合計金額が20万円以上の場合となります。 総合計が20万円未満の場合はシステムで自動的にOCSの単価が適用されます。
{{ variable.name }}

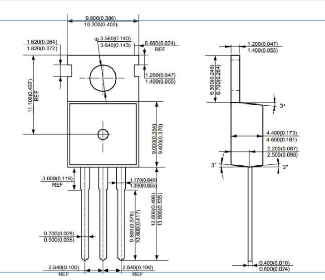
型号:OSP20N50C
品牌:OSEN
分类:场效应管
封装:TO-220
电流:20A
电压:500V
内阻:0.32欧
应用领域:汽车电子、电源、适配器、充电等。
产品详细参数文件(PDF)可咨询客服



广州欧颂电子科技有限公司是一家集研发、生产、销售、技术服务为一体的中小型高科技民营企业,拥有OSEN欧芯品牌 。公司成立于1999年,成立以来,一直在科研、创新等领域投入巨资,不断开发出新的产品,并建立起了一支技术力量雄厚的科研团队和精英销售管理团队,在各个方面都取得了一定的突破。我们的宗旨是助客户走向成功,让客户体验价值,我们的目标是把中国的半导体产业推向世界,为中国制造走向中国创造贡献一份力量。













地址:佛山千灯湖智造产业中心
运费也可和客服最终确认哦!!
有任何问题欢迎随时和客服联系!!!