メニュー
1688

1688.comは中国で生産され、流通している商品を扱うBtoB卸サイトとなります。お客様が弊社サイト内にて仕入処理をされても、日本国内の法律に則り、日本への輸入ができない商材もあり、その場合弊社でも仕入れの手配が出来ません。その際はシステム上で、自動的に注文削除となってしまう事を、恐れ入りますがご了承願います。

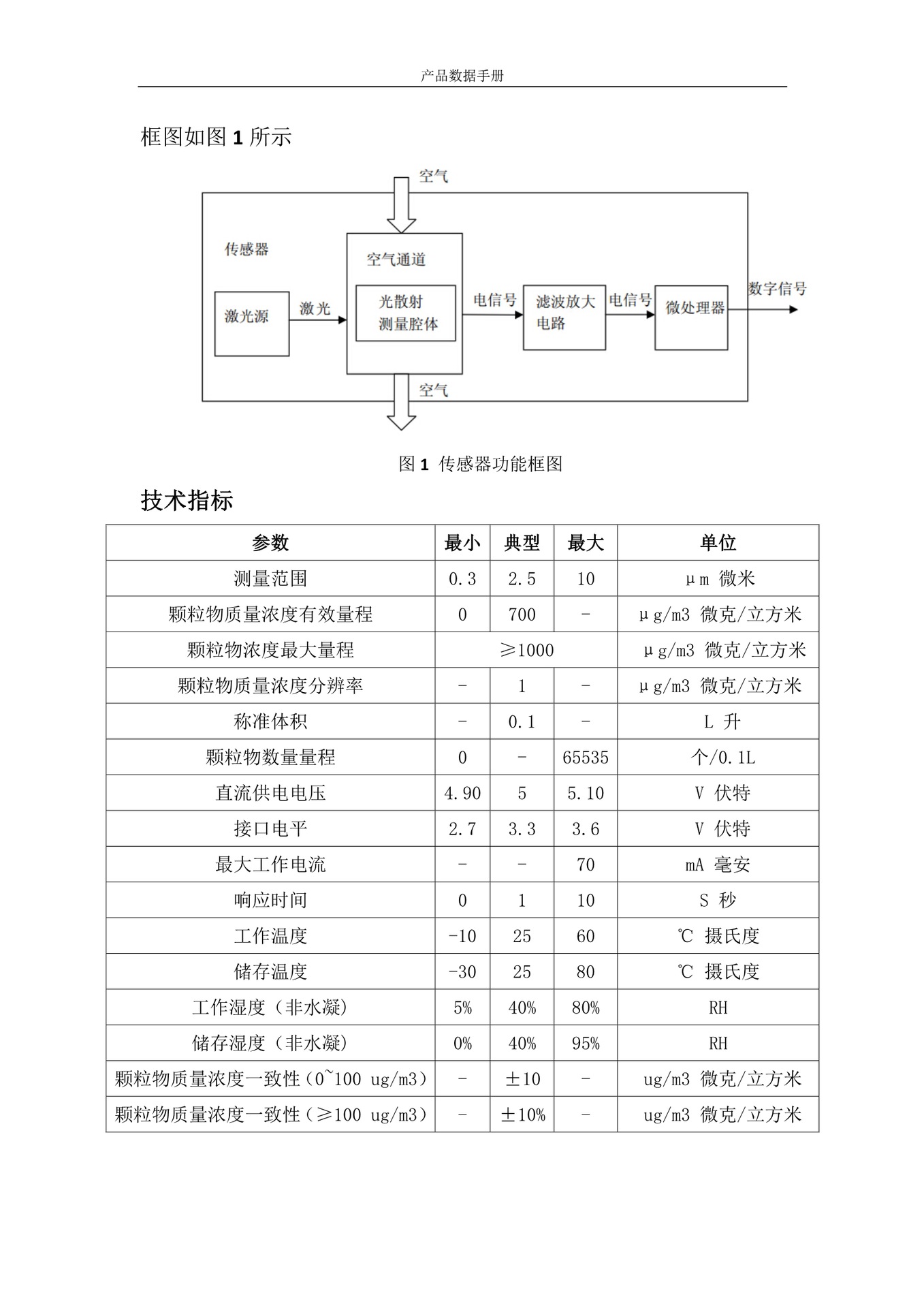
Pm2.5/pm10レーザー粒子状物質センサd3はpms3003に代わる

船便:{{ product.price_format }} 船便納期:発注から納品まで約30日前後
OCS:{{ product.price_format2 }} OCS纳期:発注から納品まで約14日前後

※単価についての注意事項: 船便の単価が適用されるには、今回の仕入において(他の商品も含めた)、消費税抜きの仕入総合計金額が20万円以上の場合となります。 総合計が20万円未満の場合はシステムで自動的にOCSの単価が適用されます。

{{ product.origin_price_format }}
在庫あり:
SKU:{{ product.sku }}
モデル: {{ product.model }}

{{ variable.name }}

{{ value.name }}
属性
ブランド CRK
仕様 pm-d3
型番 D 3
An-400マイナス酸素イオン監視センサは電磁、静電電磁干渉に強い抵抗力を持っている
¥14,960
Pm2.5/pm10レーザー粒子状物質センサd3はpms3003に代わる
¥902
电化学一氧化碳传感器GM1,气体报警探头 适合CO报警应用
¥110
単点距離測定モジュールTF-LUNA知能公衆トイレ測定人流量無人機障害回避定高専用
¥3,498
空気品質センサーQS-01、空気清浄機、空気新メーカー専用!
¥330
濁度センサー、濁度センサーモジュール TSW-20M、水質検査
¥1,496
ビルオートメーション用屋内ガス発信器
¥13,200
86型ディスプレイ付き多項目空気質ガス送信機
¥14,300
新しい天井取り付け型室内空気質検知器
¥14,960
赤外線4シリーズSF6センサー
¥10,780

D3

D32

undefined

undefined

undefined

undefined