1688以外のサイト、現地商品市場から弊社が独自にリサーチした商品のご提案を行います。 また、お取り組み先にご覧頂きやすいように「G/M」が付いた品番はこちらから検索ください。
1688.comは中国で生産され、流通している商品を扱うBtoB卸サイトとなります。お客様が弊社サイト内にて仕入処理をされても、日本国内の法律に則り、日本への輸入ができない商材もあり、その場合弊社でも仕入れの手配が出来ません。その際はシステム上で、自動的に注文削除となってしまう事を、恐れ入りますがご了承願います。
※単価についての注意事項: 船便の単価が適用されるには、今回の仕入において(他の商品も含めた)、消費税抜きの仕入総合計金額が20万円以上の場合となります。 総合計が20万円未満の場合はシステムで自動的にOCSの単価が適用されます。
{{ variable.name }}








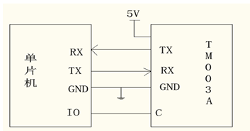
【硬件接口】

|
电源 |
+5V |
|
数据发送 |
TX |
|
数据接收 |
RX |
|
外部清零 |
C |
|
地线 |
GND |
选择口:
|
方向选择口 |
S1:常开,为数据正方向;常闭,为数据反方向;默认正方向。 |
|
备用 |
S2 |
|
备用 |
S3 |
接线方式1:指令或硬件清零

接线方式2:指令清零

【通讯协议】
1、波特率9600;1位起始位;8位数据;1位停止位;无校验;
2、数据格式:一共十个字节的ASII码,第一个字节为符号位,中间8个字节为数据,第十个字节为回车符;
例如:数据:12.34 发送字符串:+00012.34
数据:-12.34 发送字符串:-00012.34
3、数据传输:以每秒8组数据自动发送;
4、清零操作:
方式1:指令清零在任意位置接收到大写字符”C”可数据清零
方式2:硬件清零在任意位置拉低C引脚300MS,可数据清零
串口助手显示数据:
