メニュー
1688

1688.comは中国で生産され、流通している商品を扱うBtoB卸サイトとなります。お客様が弊社サイト内にて仕入処理をされても、日本国内の法律に則り、日本への輸入ができない商材もあり、その場合弊社でも仕入れの手配が出来ません。その際はシステム上で、自動的に注文削除となってしまう事を、恐れ入りますがご了承願います。

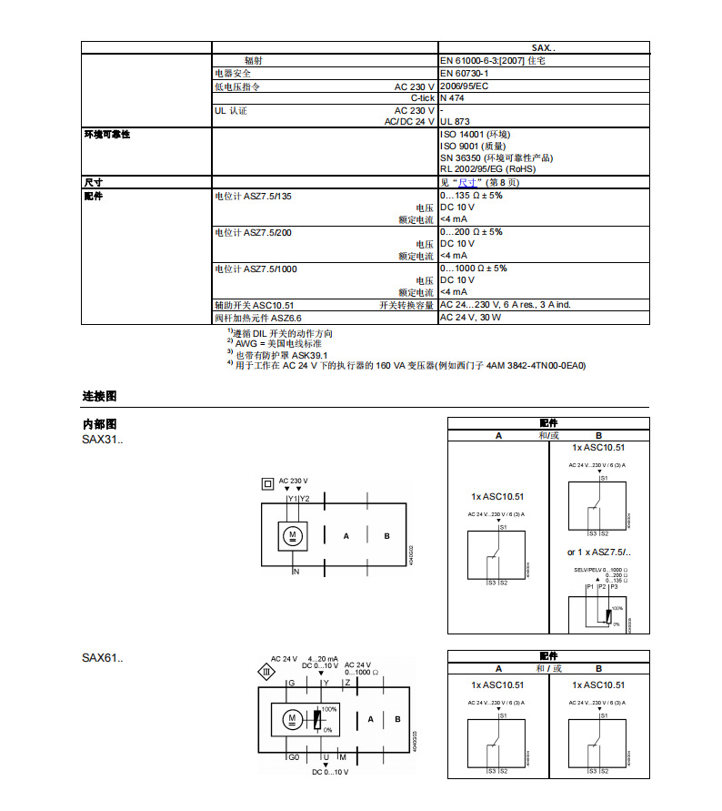
元のシーメンスSAX81.03 SAX31.03 SAX61.03はSQX62電動水弁アクチュエータに代わる

船便:{{ product.price_format }} 船便納期:発注から納品まで約30日前後
OCS:{{ product.price_format2 }} OCS纳期:発注から納品まで約14日前後

※単価についての注意事項: 船便の単価が適用されるには、今回の仕入において(他の商品も含めた)、消費税抜きの仕入総合計金額が20万円以上の場合となります。 総合計が20万円未満の場合はシステムで自動的にOCSの単価が適用されます。

{{ product.origin_price_format }}
在庫あり:
SKU:{{ product.sku }}
モデル: {{ product.model }}

{{ variable.name }}

{{ value.name }}
属性
ブランド シーメンス/シーメンス
クロスボーダー輸出専用供給源ですか いいえ
作業媒体 1
アクチュエータの性能特徴 1
純正品江森DN20電動二方弁アクチュエータVG4400GC-C VA-7010-8503-Cアクチュエータ
¥1,738
ホニヴェルの新しいvc 6013電気二方弁の弁の芯vc 4013 vn6013はレンチのツールを分解します。
¥1,056
米国 + gf + phセンサー電極3-2724-10 3-2726-10 3-2726-lc-10 orp電極
¥28,600
HoneywellホニヴェルHSH-DM3M-E HST-DM-E風管単温度/温湿度センサ
¥4,378
ホニヴェルws 8b 2wb/U ws 8b 4wb/U ws 9b 2wb/U中央エアコンファンコイルサーモスタット
¥2,508
元のスイスhub a5 28シリーズ圧力トランスミッタ圧力センサ528.99028
¥3,520
E E温湿度センサーEE160-M1T2A6SBL0SBH50風管m 1t 2 t 3 a 3s bl0sb 50包郵便
¥19,338
スイス偉拓VECTOR SOC-T1 SOC-H1T1屋外ダクト型温度トランスミッタ/センサー
¥3,300
元のアメリカDwyerドウェルMS-111 MS-121微差圧トランスミッタは現物を郵送します。
¥13,640
Dwyerドウェル1900空気圧スイッチ1910-1/-5/-10/-20/00差圧スイッチ1910
¥13,200

undefined

undefined

undefined

undefined

undefined