1688以外のサイト、現地商品市場から弊社が独自にリサーチした商品のご提案を行います。 また、お取り組み先にご覧頂きやすいように「G/M」が付いた品番はこちらから検索ください。
1688.comは中国で生産され、流通している商品を扱うBtoB卸サイトとなります。お客様が弊社サイト内にて仕入処理をされても、日本国内の法律に則り、日本への輸入ができない商材もあり、その場合弊社でも仕入れの手配が出来ません。その際はシステム上で、自動的に注文削除となってしまう事を、恐れ入りますがご了承願います。
※単価についての注意事項: 船便の単価が適用されるには、今回の仕入において(他の商品も含めた)、消費税抜きの仕入総合計金額が20万円以上の場合となります。 総合計が20万円未満の場合はシステムで自動的にOCSの単価が適用されます。
{{ variable.name }}
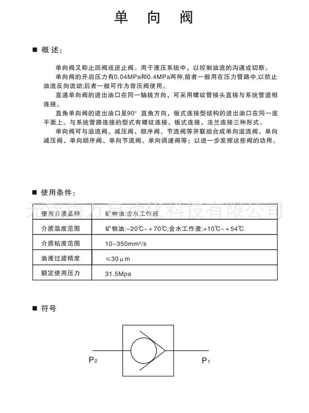
A-Hb20L,A-Hb32L,DIF-L10H1, DIF-L10H2 直通单向阀,无锡海万生产厂家,厂家直销,单向阀价格优惠


A-Ha10L,A-Ha20L,A-Ha32L,A-Hb10L
A-Hb20L,A-Hb32L,DIF-L10H1
DIF-L10H2,DIF-L20H1,DIF-L20H2
DIF-L32H1,DIF-L32H2
DIF-L32H1-S,DIF-L32H2-S
DIF-L20H1-S,DIF-L20H2-S
DIF-L10H1-S,DIF-L10H2-S
AJ-Ha10B,AJ-Hb10B,AJ-Ha20B
AJ-Hb20B,AJ-Ha32B
AJ-Hb32B,AJ-Ha10L,AJ-Hb10L
AJ-Ha20L,AJ-Hb20L,AJ-Ha32L
AJ-Hb32L,AJ-Ha32F,AJ-Hb32F
AJ-Ha50F,AJ-Hb50F,AJ-Ha65F
AJ-Hb65F,AJ-Ha80F,AJ-Hb80F
DF-B10H1,DF-B10H2,DF-B20H1,DF-B20H2
DF-B32H1,DF-B32H2,DF-L10H1
DF-L10H2,DF-L20H1,DF-L20H2
DF-L32H1,DF-L32H2,DF-F32H1
DF-F32H2,DF-F50H1,DF-F50H2
DF-B10K1,DF-B10K2,DF-B20K1
DF-B20K2,DF-B32K1,DF-B32K2
DF-F50K1,DF-F50K2,DF-F80K2,DF-F80K1