1688以外のサイト、現地商品市場から弊社が独自にリサーチした商品のご提案を行います。 また、お取り組み先にご覧頂きやすいように「G/M」が付いた品番はこちらから検索ください。
1688.comは中国で生産され、流通している商品を扱うBtoB卸サイトとなります。お客様が弊社サイト内にて仕入処理をされても、日本国内の法律に則り、日本への輸入ができない商材もあり、その場合弊社でも仕入れの手配が出来ません。その際はシステム上で、自動的に注文削除となってしまう事を、恐れ入りますがご了承願います。
※単価についての注意事項: 船便の単価が適用されるには、今回の仕入において(他の商品も含めた)、消費税抜きの仕入総合計金額が20万円以上の場合となります。 総合計が20万円未満の場合はシステムで自動的にOCSの単価が適用されます。
{{ variable.name }}



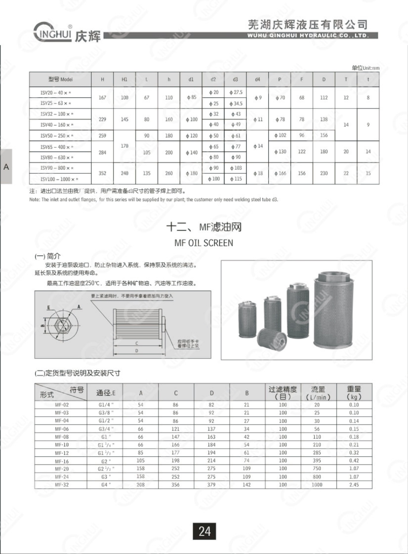
1. 简介:
庆辉液压主要生产各类液压件,吸油过滤器,回油过滤器,管路过滤器,油箱配件,液压附件,液压过滤器,滤油车,液压空气过滤器,加油口,油箱盖,油面计,液位计,吸油滤网,各类滤芯,液位控制器,压力表开关,液压滤油器,微型测压软管总成,塑料管夹等产品。企业拥有高素质的技术、管理人员和精良的加工及检测设备。生产历史悠久,工艺先进,质量优良,长期以来为冶金,矿山,石油化工,工程,建筑,塑机,农机,机床等行业的液压设备提供液压件配套,同时为引进设备提供高质量的国产化备件,还引进过滤器,空气滤清器,液位计及成套液压系统的设计与制造。
我们公司的产品质量可靠,种类丰富,应用领域广泛。凭借过硬的产品质量与完善的服务,在客户中广受好评。欢迎广大新老客户前来洽谈合作!
电话:0553-8828380 8828381 姜庆辉13616615103 19955323888
2.发货:
江浙沪皖地区:货款满500元以上包邮;其他地区货款满1000元以上,含物流运费.
以上价格不含税,开票需加10个点,票税拍差价,开票请联系客服:13616615103