1688以外のサイト、現地商品市場から弊社が独自にリサーチした商品のご提案を行います。 また、お取り組み先にご覧頂きやすいように「G/M」が付いた品番はこちらから検索ください。
1688.comは中国で生産され、流通している商品を扱うBtoB卸サイトとなります。お客様が弊社サイト内にて仕入処理をされても、日本国内の法律に則り、日本への輸入ができない商材もあり、その場合弊社でも仕入れの手配が出来ません。その際はシステム上で、自動的に注文削除となってしまう事を、恐れ入りますがご了承願います。
※単価についての注意事項: 船便の単価が適用されるには、今回の仕入において(他の商品も含めた)、消費税抜きの仕入総合計金額が20万円以上の場合となります。 総合計が20万円未満の場合はシステムで自動的にOCSの単価が適用されます。
{{ variable.name }}
此链接请勿直接拍,购买前请咨询客服!
0.5mm 0.8mm 1.0mm 1.25mm间距
FFC/FPC 软排线
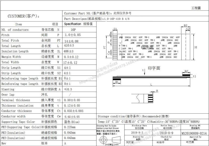
6P8P10P12P14P16P18P20P22P24P26P28P30P40P50P至80P排线 连接线
如需其他P数请提供以下几个参数然后咨询客服:
1:P=位=芯(数铜线)
2:线总长(单位mm)
3:间距(两线中间点的距离)线总宽(单位mm)(头次接触排线的客户建议给总宽)
4:方向:A同向(金属面在同一面)B反向异侧(金属面在不同面)
|
产品名称 |
型号 |
类型 |
间距 |
芯数 |
总宽 |
总长 |
|
FFC软排线 |
4P~80P |
A/B型 |
0.5/1.0mm |
4P~80P |
(N+1)*间距=Wmm |
Lmm |
亲们注意:
FFC排线在使用插接过程中不要直接用手指去触摸金手指,这样容易造成氧化。出厂前我们对产品都做了抽样拉力及柔韧性测试。插入连接器端子时排线要放平,不要斜着插入以免对插接端造成损伤。如果是客户朋友使用方法不当造成的损失,我司不承担责任
问:请问FFC软排线怎么区分正面及反面?
答:如果排线两端的金手指(或蓝色补强板)在同一面,就叫同向线(或同面线);如果排线两端的金手指(或蓝色补强板)在不同面,就叫反向线(或异面线)
问:出厂前你们做过哪些测试?
答:出厂前我们对产品进行了附着力测试、柔韧性测试、高温测试、高电压低电阻测试。
问:请问贵司有SGS报告吗?
答:我们的产品全是通过环保测试的、通过第三方权威机构认证的。检验报告,质量保证书全部有的,请放心购买。








