1688以外のサイト、現地商品市場から弊社が独自にリサーチした商品のご提案を行います。 また、お取り組み先にご覧頂きやすいように「G/M」が付いた品番はこちらから検索ください。
1688.comは中国で生産され、流通している商品を扱うBtoB卸サイトとなります。お客様が弊社サイト内にて仕入処理をされても、日本国内の法律に則り、日本への輸入ができない商材もあり、その場合弊社でも仕入れの手配が出来ません。その際はシステム上で、自動的に注文削除となってしまう事を、恐れ入りますがご了承願います。
※単価についての注意事項: 船便の単価が適用されるには、今回の仕入において(他の商品も含めた)、消費税抜きの仕入総合計金額が20万円以上の場合となります。 総合計が20万円未満の場合はシステムで自動的にOCSの単価が適用されます。
{{ variable.name }}

TX118SA
一、宽电压迷你发射模块
型号:TX118SA-4
发射功率:11dbm
距离:200M
发射电流:10MA
待机电流:小于3UA
发射速率:最大10KB/S
发射频偏:+/- 7。5KHZ /窄带发射
调制方式:ASK
工作电压:DC 3V-24V
可选固定编码类型:EV1527
可定制特殊编码:MCU类型。
待机电流:<3UA
按键数据:A、B、C、D共4组输入, 可组合成15组。
每个模块有一个独立的ID地址码
所有的模块K1—K4四个按键码是相同的。

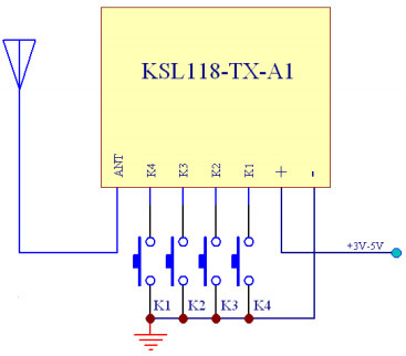
脚位说明:
-:电源负极
+:电源正极,DC 3-24V
K1:外接输入按键,对地短接启动发射数据1,相当于遥控器的 A 键。
K2:外接输入按键,对地短接启动发射数据 2,相当于遥控器的 B 键。
K3:外接输入按键,对地短接启动发射数据 3,相当于遥控器的 C 键。
K4:外接输入按键,对地短接启动发射数据 4,相当于遥控器的 D 键。
ANT:发射天线
典型应用电路如下图所示:

模块尺寸:


6、注意事项
(1)该产品属CMOS器件,在储存、运输、使用过程中要注意防静电。
(2)器件使用时接地要良好。
7、不良品退换
非人为损坏的产品,15天包退换